
如果您对我们的文章双馈风力发电机模拟试验台,室内模拟风力发电系统有任何疑问,请及时联系我们,我们会为您解答阅读时产生的问题,并且如果您看了双馈风力发电机模拟试验台,室内模拟风力发电系统后,也有兴趣投稿,我们也将为您提供像本文双馈风力发电机模拟试验台,室内模拟风力发电系统一样的机会,将您的投稿上传到我们的平台上。
拟风速变化引起的发电机转速变化。通过开放式主控系统,用户可以根据自己的实验需求给定发电机转矩,通过变流系统控制双馈发电机的功率输出,达到变速恒频风力机组的并网发电等过程各参数的实验研究。
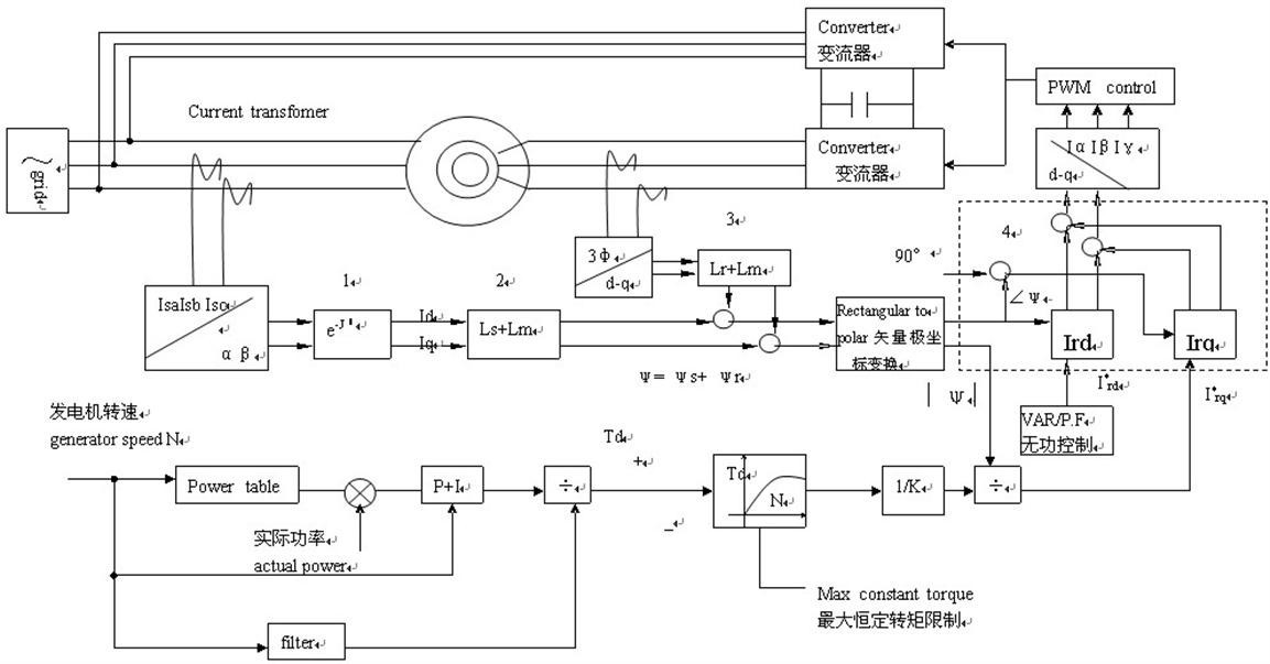
2.1系统结构示及原理


原理框图
◆系统分为拖动单元、控制单元、发电单元、测量单元。
◆拖动单元:模拟系统因风速变化而引起的转速变化
◆控制单元:分析系统状态,控制系统运行,实现数据模拟
◆并网发电单元:双馈发电机与并网变流器实现风机并网过程。
◆测量单元:系统各信号采集传输到主控系统中。
2.2系统功能
实现变速恒频风力机组发电状态的模拟,包括转速、转矩、发电量及有功、无功调节。
具体如下:
1)风力发电机接线形式实验
2)空载运转实验
3)并网过程实验(结合并网???
4)并网连续运行实验(结合并网???
5)风速模拟实验
6)转距模拟实验
7)发电功率模拟实验
8)其它相关发电性能及测量实验
9)脱网?;つD馐笛?/p>
10)控制策略模拟实验等
2.3 系统主要??椴问肮δ?/p>
2.3.1双馈异步发电机
绕线转子双馈异步发电机,与大型风电机组绕组结构模式相似。
2.3.2四象限变频器
执行普通工业标准的变频器,技术参数参照定货后实际产品,附带技术参数书?;拘阅埽憾疃üβ剩?.5kW ;响应速度:<300us
3、1、控制单元(演示台内):系统根据演示单元的需要,通过开关单元的开和关,实现充电、逆变、变频调速等运行,配备同时单独计量通道,并满足数据对比和采集。
风机电源控制,单独设计有一套大风卸荷?;さ缏罚肽姹涞缭唇岷鲜褂?。
3、2、风机卸荷单元(演示台内):风力发电机输出端口,连于发电机控制器,对风机所发的三相交流电进行整流,调整并控制,然后供给并网逆变器进行并网和系统在大风时的卸荷和其他保护。
3、3、开关控制单元(演示台):所有演示系统内外单元的引线经隔离开关接至各自的跳线端子上,在实验过程中,一旦发生漏电、短路、过流、过热情况,开关自动断开电源,起到?;ひ瞧饕潜砗腿松淼陌踩?。
3、4、 风机连接单元(汇流箱 演示台):
示意接线面板上,单元部分的引线经隔离开关接至各自的跳线端子,根据演示的需要,可以用跳线自由地查看风机运行的工作状态
3、5、DC/DC变换单元
直流电压变换器(DC/DC变换器)具有变换阻抗的作用,既可起到发电机与负载之间的电压匹配作用,也能通过改变直流电压变换器的输入阻抗,使发电机处于最大输出电功率状态。
3、6、离网逆变单元
将蓄电池经由DC/DC变换后的直流电,转换为三相交流电,驱动三相异步电动机运行。
3、7、变频驱动单元
对DC/DC转换后的交流电进行变频调制后驱动三相异步电动机运行,用作三相异步电动机的调速实验。
3、8、基座
系统尺寸:1.8m×0.6m×0.7m范围内;底座的设计与系统设计过程中采用的具体器件有关,可以根据器件及客户需求最终确定结构尺寸及加工。
3、9、演示台显示单元
通用部分:设备工作温度、室内温度/湿度/时钟、逆向电量计量。
通用1套3位切换显示:有功功率.
单独显示:风速、风向、日期LCD显示、风机限流卸荷LED指示。
四、监控单元
监控装置包括监控主机、监控软件和显示设备。本系统采用高性能工业控制PC机作为系统的监控主机,配置多机版监控软件,采用标准RS-232或RS-485通讯方式,可以实时获取所有风力发电的运行参数和工作数据。
4、1、 监控软件
◆ 监控主机同时提供对外的数据接口,即用户可以通过计算机实时查看整个电源系统的实时运行数据以及历史数据和故障数据。
◆ 可每隔5分钟存储一次电站实验所有运行数据,包括实时存储环境数据、故障数据等参数。
◆ 可连续存储20年以上的电站实验所有的运行数据和故障纪录。
五、 售后服务
◆ 使用手册
◆ 产品培训
双馈风力发电机模拟试验台,室内模拟风力发电系统是我们的原创,请尊重我们的劳动,不要随意转发,如果您要对双馈风力发电机模拟试验台,室内模拟风力发电系统进行转发,请注明双馈风力发电机模拟试验台,室内模拟风力发电系统是来自戴育教仪厂。